無刷直流電機控制器與有刷直流電機控制器電路設計
無刷直流電機控制器可以執行與有刷直流電機控制器相同的功能并應用類似的方法。但是,它們的安排和實施存在一些概念上的差異。典型的無刷直流電機控制器具有半橋或半H橋電路。與H橋不同,此電路配置只有兩個開關-一個高側晶體管和一個低側晶體管。
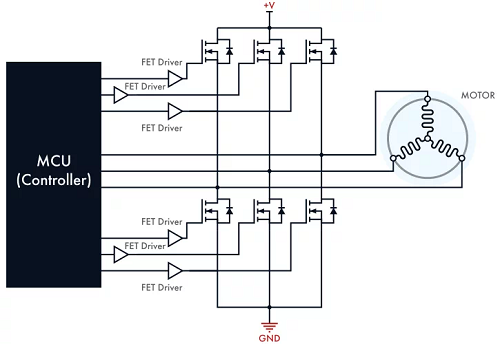
大多數無刷電機使用兩相或三相電源系統。因此,在無刷直流電機控制器電路圖中,這看起來像是兩個或三個半橋(取決于相數),每個半橋都有一對開關。讓仔細看看帶有霍爾效應傳感器的三相無刷直流電機控制器,了解其電路設計的基本原理。

定子具有彼此成120°角的三相繞組。每個繞組都有施加到定子的電壓和電流的矢量表示。
無刷直流電機控制器霍爾傳感器識別轉子的位置。接收到傳感器數據后,功率MOSFET會切換電流,將其注入正確的繞組。在大功率無刷直流電機控制器中,IGBT和GaN開關可以替代MOSFET。
集成或分立的柵極驅動器都可以控制晶體管。無刷電機控制器示意圖的驅動器充當開關和微控制器(MCU)之間的中介。
三相無刷直流電機控制器電路包括完成一個完整開關周期(即為定子的所有三個繞組通電)所需的六個步驟。通過打開和關閉高側和低側晶體管,電流依次流過定子繞組。
在設計無刷直流電機控制器時,您可以考慮不同的電流切換方法,包括梯形和正弦換向。這些方法的名稱與信號波形有關。
通過梯形換向,三個繞組中的兩個可以同時保持通電。在正弦控制方法中,相移符合正弦定律。它提供了相位之間更平滑的電流切換。
梯形換向比較簡單,但在低速時可能會引起電機的振動。正弦電流波形的實現可以確保電機的完美運行。然而,這種類型的換向在高速下變得具有挑戰性。
通常,正弦無刷電機控制器電路使用脈寬調制(PWM)。它有助于調節注入轉子繞組的電流,使換向過程更平穩、更高效。這尤其適用于獲得輸出信號反饋并通過改變占空比來調整輸入功率的閉環控制器。
占空比是電流脈沖與電流信號的完整周期之間的百分比。無刷直流電機速度控制器更改PWM占空比以創建正弦信號。

各種應用的PWM開關頻率可能不同。盡管它應該足夠高以防止功率損耗。定子的物理限制決定了最大頻率水平。但是,也有控制單元本身的規格。
因此,即使定子允許您增加PWM頻率,您也無法做到這一點,因為您的直流無刷電機控制器的功能有限。
作為一種選擇,您可以使用滯后來控制無刷直流電機的運行。這種方法也與正弦波變換有關。它允許您確定提供給電機的電流的上限和下限。一旦電流達到其上限或下限,晶體管開關就會分別關閉或打開,并使用正弦定律改變平均電流。
您可以將無刷直流電機控制器半橋實現為集成電路(IC)或分立元件。這是您在開始弄清楚如何設計無刷直流電機控制器時可能面臨的最常見的困境之一。
分立電路可能不太可靠,因為組件應該單獨組裝并焊接到電路板上。無刷直流電機控制器IC尺寸更小,生產成本低,并簡化了設計過程。然而,集成電路具有功率限制。除此之外,一個組件的故障將導致整個無刷直流電機控制器IC的更換,而不僅僅是這個組件。


