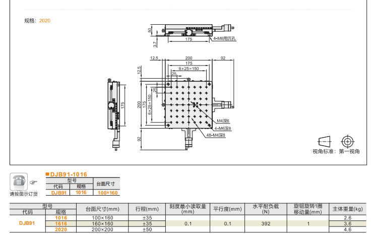
精密型DJB91手動位移滑臺
發布時間:2025-06-25 14:59:14點擊量:


DJB91手動位移滑臺采用高剛性交叉滾柱導軌與精密蝸輪蝸桿驅動系統,專為超重載工業應用設計。其強化合金鋼結構可承受2噸軸向負載,定位精度±0.015mm,適用于重型沖壓、船舶制造等極端工況。標配IP66防護與液壓輔助鎖緊系統,確保高負荷下的穩定性和安全性。
產品特點:
(1)超強負載:三重預緊交叉滾柱導軌,軸向負載2噸
(2)軍工級防護:全密封不銹鋼外殼(耐鹽霧1000h)
(3)智能控制:可選配壓力傳感器(過載自動報警)
(4)快速鎖止:液壓輔助制動(響應時間<0.1秒)
(5)長效維護:自動潤滑系統(周期5000小時)





