加長旋鈕型DJK11/DJK12手動位移滑臺
發布時間:2025-06-20 17:42:47點擊量:


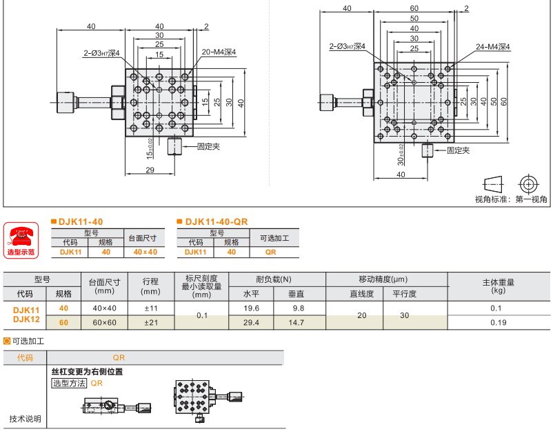
DJK11/DJK12手動位移滑臺采用高精度滾珠絲杠驅動與雙直線導軌導向系統,實現高剛性、高精度的線性位移調節。DJK11為標準型,定位精度±0.01mm;DJK12為增強型,配備預緊式導軌,精度提升至±0.005mm。適用于半導體設備、精密檢測等對剛性和精度要求嚴苛的領域。主體采用硬質氧化鋁合金,兼具輕量化與耐磨特性。
產品特點:
(1)高精度定位:滾珠絲杠驅動(DJK12預緊式導軌),重復定位精度最高±0.005mm
(2)平穩運動:雙直線導軌導向,抗偏載能力強
(3)模塊化設計:兼容電動驅動器升級(可選)
(4)耐用結構:硬質氧化處理,防腐蝕抗磨損
(5)多功能接口:標準安裝孔位,適配各類夾具




