超聲波傳感器UB500-18GM75-E6-V15
超聲波傳感器UB500-18GM75-E6-V15(漫反射型和反射板型)
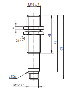
![]() | 【產品功能描述】 | |
| 超聲波傳感器UB500-18GM75-E6-V15主要用作接近傳感器。它們可以在汽車自動泊車技術和防撞安全系統中找到。超聲波傳感器還用于機器人障礙物檢測系統以及制造技術。 | ||
| 【附件產品】 | ||
·編程附件:UB-PROG3 ·安裝附件:OMH-04 ·安裝附件:BF 5-30 ·安裝附件:BF 18 ·安裝附件:BF 18-F ·導向板:UVW90-K18 ·電纜連接器:V15-G-2M-PVC ·電纜連接器:V15-W-2M-PV | ||
產品·特點
——超聲波傳感器UB500-18GM75-E6-V15產品特性——
| ?兩個開關量輸出 ?三種不同的輸出方式可選 ?聲錐寬度可調 ?TEACH-IN程序輸入 ?溫度補償 ?盲區很小 | ![]() |
產品·規格參數
——超聲波傳感器UB500-18GM75-E6-V15產品規格——
一般說明——
·檢測范圍:30...500mm
·調節范圍:50...500mm
·盲區:0...30mm
·標準目標板:100mmx100mm
·換能器頻率:約380kHz
·響應延時:約50ms
輸出——
·輸出類型:2個開關量輸出pnp,常開/常閉,可選
·重復精度:≤1%
·額定工作電流Ie:2x200mA,短路保護/過載保護
·電壓降Ud:≤3V
·開關頻率f:最大8Hz
·遲滯范圍H:所設開關距離的1%
·溫度漂移:滿量程值的±1.5%
周圍環境——
·環境溫度:-25...70oC(248...343K)
·儲存溫度:-40...85oC(233...358K)
工作方式/顯示方式——
·LED黃色:開關狀態指示
——閃爍:TEACH-IN狀態下檢測到目標物
·LED紅色:常亮:出錯或目標不確定
——紅燈閃爍:TEACH-IN狀態下未檢測到目標物
電氣參數——
·工作電壓:10...30VDC,紋波10%PP
·空載電流I0:≤50mA

安裝條件:
如果接近開關安裝于環境溫度可能低于0°C的現場時,就必須使用安裝附件BF 18,BF 18-F或BF 5-30中的一種來固定。在使用鋼螺母將接近開關直接安裝在一個通孔的情況下,接近開關必須被固定在安裝螺紋的中央。如果一定要固定在安裝螺紋的前端,就必須使用帶定位環的塑料螺母(附件)。




