
-
2022-08-16進水電磁閥故障怎么更換,更換洗衣機進水電磁閥三個重要步驟?
進水電磁閥有兩個螺紋端口,連接到洗衣機背面的冷熱水軟管。每個端口都由一個電磁閥控制,該電磁閥根據洗滌溫度設置和水位開關的信號發送電力以打開和關閉冷熱水流。

-
2022-08-16如何更換加濕器電磁閥,詳細的電磁閥更換步驟流程案例?
問題更有可能是由卡住的電磁閥引起的。即使恒濕器正在向螺線管發送電壓,也會發生這種情況——有故障的螺線管會關閉水并導致加濕器停止運行。但在更換電磁閥之前,您必須進行測試以驗證問題所在。

-
2022-08-16如何保持完整的氣動電機系統能耗,防止氣動電機出現故障?
保持氣動電機系統的氣密性:漏氣不僅會增加能耗,還會導致供氣壓力下降,甚至導致氣動元件工作不正常。嚴重的漏氣在氣動系統停止工作時很容易檢測到,漏氣引起的聲音很容易檢測到;對于輕微漏氣,請使用儀器或用肥皂水檢查。

-
2022-08-16在使用壓力傳感器時不乏有噪音,產生噪音的原因是什么?
壓力傳感器的低頻噪聲主要是由于內部導電粒子的不連續性造成的。尤其是碳膜電阻,碳材料內部往往有很多微小的顆粒,而且顆粒是不連續的。

-
2022-08-16電氣設備控制電路中的短路、過流和過流保護電路特性
所有電氣設備都有其額定功率。當超過額定功率時稱為過載,對狀態的保護稱為過載保護。電氣設備內部的短路保護稱為短路保護,零電壓也稱為無電壓保護。

-
2022-08-15如何調整定時器繼電器,時間繼電器的接線步驟流程!
時間繼電器的主要功能是在簡單的程序控制中充當執行器。當它接收到啟動信號時,它開始計時。計時結束后,其工作觸點打開或關閉,從而驅動后續電路工作。

-
2022-08-15線性執行器如何實現多種控制程序,線性執行器的電路測試操作?
線性執行器是將電機的旋轉運動轉換為推桿的線性往復運動的電驅動裝置。可作為各種簡單或復雜工藝流程的執行機,實現遠程控制、集中控制或自動控制。 ·線性執行器的結構主要由驅動電機、減速機、絲桿、螺母、推桿、彈簧、微控開關等組成。 ·線性執行器的應用于家具

-
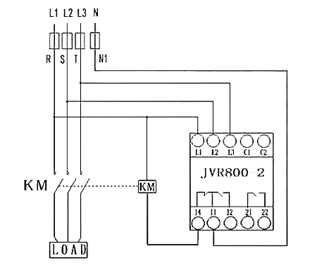
2022-08-15如何測試三相監控繼電器,三相多功能監控繼電器的功能操作?
監控繼電器是一種常用的電磁繼電器,用于電力拖動系統的電壓保護和控制。線圈與主電路并聯,用于感應主電路的線電壓;觸點與控制電路相連,是執行元件。根據吸合電壓的大小,電壓監控繼電器可分為過電壓繼電器和欠電壓繼電器。ATO監控繼電器具有過壓保護、欠壓保護


