
-
2021-08-30一階LPF和二階LPF有源低通濾波器的電路運算
低通濾波器電路允許信號的頻率分量小于信號頻率范圍的截止值。低通濾波器的增益與頻率成反比。如果輸入信號的頻率增加,則電路的增益降低,并在過渡帶末端變為零。因此,帶寬也是有限的。然而,在實踐中,LPF允許信號的低頻分量,即使它達到截止頻率之后。

-
2021-08-30什么是Arduino傳感器,Arduino傳感器工作原理?
Arduino由作為功能單元的微控制器和作為軟件平臺的ide組成。IDE是一個將代碼上傳到硬件的軟件平臺。每天,Arduino板都變得越來越流行,傳感器與這些板兼容。

-
2021-08-30RC高通濾波器高低電路特定頻率分量
濾波器具有允許信號的高頻成分,并衰減信號的所有低頻成分的能力,稱為高通濾波器。它可以允許大于截止頻率的高頻分量并拒絕信號的所有其他不需要的頻率分量。這些類型的濾波器可以在各種射頻電路和信號處理系統中找到。

-
2021-08-30位移傳感器類別:線性可變差動變壓器(LVDT)和旋轉可變差動
線性可變差動變壓器(LVDT)和旋轉可變差動變壓器(RVDT)是分別用于測量線性位移和角位移的變壓器型傳感器。電路圖和工作原理相似,但不同之處在于模塊內部的鐵芯和軸運動。這些傳感器也稱為機電換能器,因為它們產生與初級和次級繞組中感應電動勢(EMF)的變化成正比的可變交流(AC)輸出電壓。

-
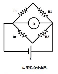
2021-08-30電阻溫度計傳感器電路工作原理和測量方程式
溫度計是一種用來測量溫度的裝置。電阻溫度計也屬于溫度計里面的其中一種,可用于提供極其準確的結果。通過測量電阻的變化來測量溫度。溫度計由放置在玻璃探頭中的鉑絲組成。設備被抽真空,以防止不必要的溫度升高。該設備非常脆弱,因此被保存在保護探頭內。

-
2021-08-28觸覺傳感器和電容式觸摸傳感器工作原理與開關相似
觸摸傳感器對施加或接觸的任何壓力或力都很敏感。觸摸的原理與開關相似。當開關閉合時,電流流動,否則電流沒有機會流動。類似地,當觸摸傳感器感測到觸摸或接近被捕獲時,它類似于閉合開關

-
2021-08-27變壓器隔離放大器電路的設計方法舉例三種
定義:隔離放大器也稱為單位增益放大器。它基本上是一個運算放大器電路,可用于將電路的一部分與另一部分分離。通過這樣做,可以確保電路的任何部分都不會消耗或浪費電源。

-
2021-08-27可以切換傳輸數據的電路交換原理
電路交換是涉及交換的技術之一。在通信和網絡領域,需要向世界傳輸數據。傳輸數據的基本步驟是找到路徑。有很多方法,或者我們可以說是數據傳輸的路徑。


