不同輸出類型的傳感器,每一種傳感器類型都有哪些不同?
所有傳感器都有一個或多個(類型)輸出。輸出通常發送傳感器的當前已知測量值。該信號的外觀取決于輸出類型。所有這些輸出之間有什么區別以及何時使用哪種輸出類型?
傳感器可以有許多不同類型的輸出。傳感器的可能輸出決定了傳感器可用于哪些應用。反之亦然,也可以這樣說:應用程序的類型決定了您需要哪種傳感器。在本文中,我們將討論不同的可能輸出。這些是如何工作的以及這些可以應用于哪些用例。
一、數字與模擬
首先,我們區分兩種類型的輸出:模擬輸出和數字輸出。具有數字輸出的傳感器發出邏輯值信號。換句話說:是或否,0或1,真或假,有效或無效。數字輸出非常適合指示物體的存在(在一定距離處)或檢測是否已達到設定的極限值。傳感器是否“看到”物體?是否達到了價值?在檢測或未檢測期間,邏輯值從0變為1,反之亦然!數字(開關)輸出的例子有PNP/NPN、繼電器、固態繼電器和推拉式。
具有模擬輸出的傳感器能夠提供與測量值連續平行的信號。模擬信號是可以無間隔地記錄值的信號。想象一下室外環境中不斷波動的溫度,例如鋼梁生產中的傳送帶:模擬輸出的變化與傳感器測量值的變化大致呈線性平行。另一個例子是距離從0到1.000 cm的變化或溫度從200°C下降到20°C。模擬輸出的示例是0-10 Vdc、4-20 mA、0-5 Vdc或0-20 mA。
二、數字輸出類型:PNP或NPN
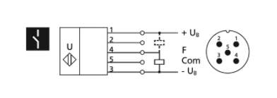
帶有PNP或NPN開關觸點的傳感器使用晶體管輸出。晶體管輸出的類型決定了傳感器是切換PNP還是NPN。帶有PNP或NPN開關量輸出的傳感器至少配備三根導線;“+”(引腳1/棕色線)、“-”(引腳3/藍色線)和開關線(引腳4/黑色線)。

推拉式開關量輸出
推拉式輸出意味著傳感器的開關組件由兩個晶體管組成。這是一種可以交替切換PNP和NPN的輸出類型。該電路的設計方式是,在某個限制之間的任何電壓都會使傳感器切換為NPN,而較低的電壓則提供PNP輸出。具有推拉式輸出的傳感器用途廣泛,可用于需要PNP和NPN輸出的應用。優點還在于無需開發相同的傳感器,但具有NPN或PNP輸出。

固態繼電器(SSR)輸出
固態繼電器(SSR)也稱為光耦合器繼電器或半導體繼電器。它是一種沒有機械開關的繼電器,與更傳統的繼電器相反。傳統機械繼電器的優點是能夠切換更高的功率,但由于運動部件容易磨損。固態繼電器通過使用光敏二極管進行切換,因此無磨損。此外,它還能夠實現更高的開關頻率。

常開、常閉或反等價輸出
所有帶有數字開關觸點的傳感器,無論是PNP/NPN、固態還是推拉式觸點,都能夠切換常開(NO)或常閉(NC)。在某些情況下,傳感器只切換NO或NC。如果傳感器能夠切換NO和NC,則稱為反價傳感器。



傳感器上的4-20 mA輸出是一個電氣連接(電流回路),由恒定電壓(傳感器的供電電壓,如24 Vdc)供電。它連接到轉換器,該轉換器將可測量單位轉換為4到20 mA之間的直流電。這是工業傳感器和通信的標準,其中4 mA代表物理單位的0%,20 mA代表100%。兩者之間的一切都是線性劃分的。在用于距離測量的傳感器中,例如4 mA=0 mm和20 mA=1000 mm。信號從4 mA而不是0 mA開始,因為與0-10 Vdc輸出相反,能夠區分0信號和故障。使用4-20 mA的另一個優點是信號不受接線電壓損失的影響,并且不受電噪聲的影響。
0-10 V電壓輸出是世界上大多數模擬傳感器、控制器和PLC上最常見的“直接”模擬輸出。就像4-20 mA輸出一樣,測量值的起點和終點在0到10 V之間呈線性分布。使用電壓工作的傳感器輸出類型對電噪聲更敏感,不適用于長途傳輸。因為信號從0V開始,所以比電流輸出更難檢測故障。在某些情況下,電壓輸出的生產成本更低,這解釋了具有4-20 mA輸出而不是0-10V輸出的模擬傳感器價格更高的原因。


